Déan Teagmháil Linn
- Seomra 607-2, Foirgneamh 5, Wanda Plaza, Uimh.1188, Bóthar Yongding, Sráid Yongzhong, Longwan, Wenzhou, Zhejiang, an tSín
- heyuevalveactuator@gmail.com
- +86-13486831323
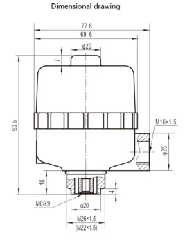
Táscaire Seasaimh Athraigh Teorainn Stróc Líneach
A.Amharcléiriú
B. Tabhair aiseolas suímh cruinn.
Meicníocht braiteoir C.Reliable chun rialú beacht suímh a sholáthar agus sábháilteacht agus éifeachtúlacht oibre a fheabhsú.
Cur síos
Tá táscaire suímh lasc teorann líneach Heyue bunaithe ar mheicníocht braite casta. De ghnáth tá sé suiteáilte in éineacht le actuator stróc líneach nó aon chóras tairiscint líneach eile. Cé go bhfuil an actuator ag gluaiseacht, déanann an táscaire suímh suíomh an stróc líneach a bhrath agus a thomhas le cruinneas agus iontaofacht ard.
Feidhmchláir:
Mar gheall ar solúbthacht an táscaire suímh lasc teorann tá sé oiriúnach d'fheidhmeanna tionsclaíocha éagsúla. Úsáidtear go coitianta é i:
Táirgeadh uathoibrithe:I bpróisis táirgthe uathoibrithe, cinntíonn an táscaire suímh suíomh beacht na n-arm robotic, na gcóras iompair agus comhpháirteanna tairiscint líneach eile.
Láimhseáil Ábhar:Tá ról ríthábhachtach ag an táscaire maidir le hiarratais láimhseála ábhar cosúil le córais sórtála agus trealamh pacáistithe, ag soláthar aiseolas cruinn ar an suíomh maidir le láimhseáil táirgí is fearr.
Trealamh Tionsclaíoch:Ó bhrúnna go meaisíní gearrtha, cuireann an táscaire suímh le hoibriú sábháilte agus cruinn trealaimh thionsclaíoch éagsúla, ag méadú táirgiúlachta agus ag íoslaghdú aga neamhfhónaimh.
Moltaí suiteála agus cothabhála
Tá suiteáil agus cothabháil an táscaire seasamh lasc teorainn stróc líneach simplí. Tá sé tábhachtach moltaí an mhonaróra a leanúint agus ailíniú agus calabrú cuí a chinntiú le haghaidh rialú beacht ar an suíomh. Moltar iniúchtaí agus glanadh rialta chun an fheidhmíocht is fearr a choinneáil.
Feidhmeanna táscaire suímh lasc teorann líneach:
Tionól éasca
Is féidir an cam oscailte / gar a choigeartú go huathoibríoch de réir an leibhéil stróc.
Léiríonn táscaire LED ullmhacht le haghaidh oibriú agus soláthraíonn sé faisnéis suímh
Clúdach uiscedhíonach, soiléir agus trédhearcach
Comhartha aiseolais eile ar fáil
Cásanna Infheidhme Éagsúla
Paraiméadair Táirgí:
|
|
|||
|
|
|||
|
Múnla |
Grád IP |
Teocht Chomhthimpeallach. |
Cónascaire |
|
DSL616 |
Ip65 |
-20 céim ~ 60 céim |
M16×1.5(M22×1.5) |
|
Ceangal Cábla |
Voltas |
Cumhacht |
Raon Stróc |
|
M16×1.5 |
DC12V~48V |
DC12V-0.11W, DC24V-0.45W, DC48V-1.8W |
10-30mm inchoigeartaithe |
|
|
|||


Clibeanna Te: Táscaire Seasaimh Athraigh Teorainn Stróc Líneach, An tSín Monaróirí Táscaire Seasaimh Athraigh Teorainn Stróc Líneach, soláthraithe, monarcha
B’fhéidir gur mhaith leat freisin


















